令和元年 秋期 基本情報技術者 午前 問21
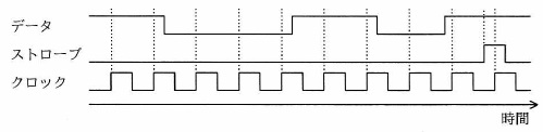
問21 シフトレジスタの値クロックの立上りエッジで,8 ビットのシリアル入力パラレル出力シフトレジスタの内容を 上位方向へシフトすると同時に正論理のデータをレジスタの最下位ビットに取り込む。 また,ストローブの立上りエッジで値を確定する。各信号の波形を観測した結果が図のとおりであるとき, 確定後のシフトレジスタの値はどれか。ここで,数値は 16 進数で表記している。 ![]() 解説
[←前の問題] [次の問題→] [問題一覧表] [分野別] [キーワード索引] [基本情報技術者試験TOP ]
©2004-2025 情報処理試験.jp
|
プライバシーポリシー・著作権・リンク
|
お問合わせ
| |
