基本情報技術者試験の過去問と解説
[TOP] [午前分野別] [午後分野別] [キーワード索引] [令和元年秋午前] [令和元年秋午後]

平成22年 秋期 基本情報技術者 午前 問24
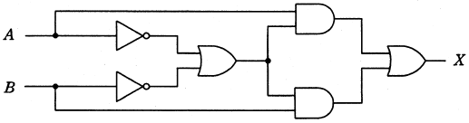
問24   ディジタル回路と等価な論理式

 図に示すディジタル回路と等価な論理式はどれか。 ここで,論理式中の ・ は論理積,+は論理和, は X の否定を表す。

ア        イ 

ウ        エ 


解答←クリックすると正解が表示されます

解説

 A、B の各値を図に示すディジタル回路に入力すると以下のようになる。 回路は、上下対象なので、0,1と1,0の出力は同じである。

 この出力と等価な論理式は、「ウ」となる。

[←前の問題] [次の問題→] [問題一覧表] [分野別] [キーワード索引] [基本情報技術者試験TOP ]
©2004-2025 情報処理試験.jp |  プライバシーポリシー・著作権・リンクお問合わせ